高等教育领域数字化综合服务平台
云上高博会服务平台
高校科技成果转化对接服务平台
大学生创新创业服务平台
登录
|
注册
|
华中科技大学
搜 索
热门搜索:
企业会员招募
63届高博会
高校科技成果
首页
学校简介
资讯动态
高校采购
科技成果
创新创业
企业入驻
需求发布
华中科技大学
教育部
74
高校采购信息
3294
科技成果项目
0
创新创业项目
0
高校项目需求
科技成果
项目成果
政策动态
成果领域
电子信息
新材料及其应用
新能源与节能环保
高端装备制造
资源与环境
生物、医药及医疗机械
交通规划及运输
新一代信息技术
先进制造与自动化
化学化工
其它领域
现代海洋
农业科技
人工智能
航空航天
太阳能电池
含阳离子的钌络合物染料及其制备的染料敏化太阳能电池
合作:
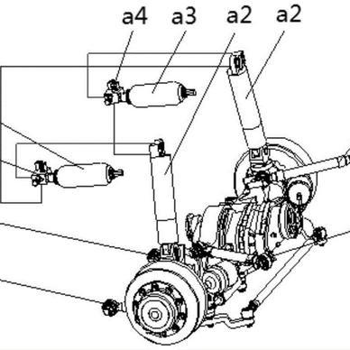
重型车辆
一种用于多轴重型车辆的油气平衡悬架及其液压控制系统
合作:
机床
一种机床多运动轴平行度的检测装置和方法
合作:
激光熔化
一种选区激光熔化快速成型装备
合作:
太阳能电池
一种基于掺杂型 NiO 空穴传输层的钙钛矿太阳能电池及其制备 方法
合作:
桥式结构
一种微型的桥式结构及其制备方法
合作:
图纹压印模具
微纳尺度图纹压印模具的制作方法
合作:
复合焊接
一种磁力搅拌的 CO2激光-TIG 电弧复合焊接方法
合作:
深海滑翔机
一种深海滑翔机的质心调节装置
合作:
表面沉积
一种用于大型非平整表面沉积的装置及方法
合作:
首页
上一页
1
2
...
14
15
16
...
39
40
下一页
尾页